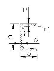
??????????????????趨????? ???????????????????(h),???(b),?????(d)???????????????????????5????40 ?????????????5????40cm?? ???? ??????????£????????????????????????????????18-40 ??????????5-16 ???????????????????????????韁?????????????????????????????????????????????????????????????????????????????????????????????????????С? ???? ????????????????????????????????????й漲????????????????????Χ????????????5-12m ??5-19m ??6-19m ??????????????????Χ????6-15m???????????????6???9???12???????40T?????????????? ???????????????????????????? ??????????????????????????????????????????о???漲??????????治??????????к????????????????????????漲??????????????????????????????????????й??????h ??b ??d ??t ????????????????????????????????????????????????????????? ???????????????涼????Щ???? ???????????????????????????????????????????????????????????????????????????????????????????????????????????? ?????????????????????????(mm) ?????????5 6.3 6.5 8 10 12 12.6 14 16 18 20 22 24 25 27 28 30 32 36 40 ???????h ??1.5 ??2.0 ??2.0 ??3.0 ??3.0 ???????b ??1.5 ??2.0 ??2.5 ??3.0 ??3.5 ????????d ??0.4 ??0.5 ??0.6 ??0.7 ??0.8 ?????????????????0.15d ???????????6???9???12????????????????????????